ЗАЖИМ АППАРАТНЫЙ ПРЕССУЕМЫЙ А4А-95-2Т
Для присоединения одного алюминиевого или сталеалюминиевого провода марки А95 или АС95/16 к выводам аппаратов.
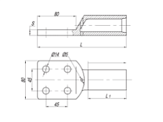
ХАРАКТЕРИСТИКИ А4А-95-2Т
| МАРКА ЗАЖИМА | МАРКА ПРОВОДА ПО ГОСТ 839-80 | ИНТЕРВАЛ ДИАМЕТРОВ ПРОВОДОВ, ММ | МАТРИЦА ОПРЕССОВАНИЯ | РАЗМЕРЫ, ММ | МАССА, КГ | ||
|---|---|---|---|---|---|---|---|
| L | L1 | S | |||||
| А4А-120-2Т | А95; АС95/16 | 12,3-13,5 | АШ-2А-18,2 | 210 | 70 | 10 | 0,331 |
МАРКООБРАЗОВАНИЕ
- А — зажим аппаратный;
- 4 — количество отверстий в контактной лапке;
- А — для алюминиевых (сталеалюминиевых) проводов;
- 95 — сечение в мм2 (применимость смотреть по таблице выше);
- 2 — исполнение зажима методом литья;
- Т — термодинамический способ нанесения медного слоя на контактную поверхность.
Организация:
VoltAmper
Описание:
мы ценим качество
Телефон:
Скажите продавцу, что получили его номер телефона на Stroyka.uz. Уточняйте о возможных скидках.
Скажите продавцу, что получили его номер телефона на Stroyka.uz. Уточняйте о возможных скидках.
+998992228222
Комментарии