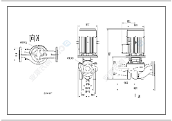
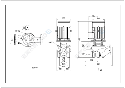
Вертикальные одноступенчатые циркуляционные насосы с патрубками типа "in-line" CNP TD80-13G/2SWHCJ
10 309 000
Звоните по телефону:
Дата последнего обновления: 08 апреля, 2026
Насос серии TD – это вертикальный одноступенчатый циркуляционный насос с патрубками типа "in-line". Насос спроектирован таким образом. чтобы его можно было снять с трубопровода без разборки элементов системы.
ТЕХНИЧЕСКИЕ ДАННЫЕ:
Номинальный расход: 50 м³/ч
Номинальный напор: 13 м
Температура перекачиваемой среды: -15 до 110˚C
Скорость вращения: 2900 об/мин.
Номинальная мощность: 3 кВт
Напряжение: 3x380 В
Исполнение насоса: чугун
Максимальное рабочее давление: до 12 бар (по запросу до 16 бар)
ПРИМЕНЕНИЕ:
•Циркуляционные контуры котельных
•Центральные тепловые пункты
•Подкачивающие насосные станции систем центрального отопления
•Контуры циркуляции технологического охлаждения (градирни-теплообменники)
•Системы циркуляции кондиционирования (чиллер-фанкойл)
•Возможно применение в системах пожаротушения и повышения давления
Организация:
Maxsus Qurilish Engineering
Адрес:
Юкори Чирчик-1
Телефон:
Скажите продавцу, что получили его номер телефона на Stroyka.uz. Уточняйте о возможных скидках.
Скажите продавцу, что получили его номер телефона на Stroyka.uz. Уточняйте о возможных скидках.
+998997977434
Комментарии