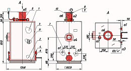
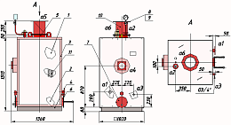
Котел водогрейный вертикальный КВа-0,16-0,5Гн ENKOM Проект Т.022.348.00.00.000 (0,16 МВт) с предохранительным клапаном и КИП
от 60 000 000
Дата последнего обновления: 05 ноября, 2025
а1- вход воды; а2 – выход воды; а3 – дренаж ; а4 – горелочная плита; а5 – уходящие газы; а6- предохранительный клапан. 1- корпус с теплоизоляцией; 2 – поворотная камера; 3 –каркас; 4- рама; 5- газоход; 6- клапан взрывной; 7- люк очистки; 8 -кран трехходовой; 8- электроконтактный манометр (ЭКМ); 10- клапан (шибер).
Организация:
ENKOM
Описание:
ООО «ENKOM» (НПП «ЭНКОМ») имеет более чем 25-летний опыт в проектировании и изготовлении котельного и вспомогательного оборудования на рынке Узбекистана и региона. Конструкторы и специалисты в области энергетики и механики имеют более 30 летний опыт работы в газовой и нефтяной промышленности в странах СНГ. Основная специализация предприятия – это энергоэффективное использование природного топлива и снижение вредных выбросов в окружающую среду.
На предприятии работают 50 человек: это конструкторы, проектировщики, научные работники, инженеры теплотехники и электронщики, квалифицированные
С 1998 года на базе применения компактных котлов собственного производства ООО «ENKOM» (НПП «ЭНКОМ») начал выпускать мобильные котельные контейнерного типа полной заводской готовности. Применение таких котельных значительно сокращает сроки строительства, капитальные затраты и больших земельных площадей. Мобильные котельные это удобные, экономичные источники тепла для теплоснабжения нефтегазовых промыслов, вахтовых поселков и для городских объектов в стесненных условиях как встроенные, пристроенные и крышные котельные.
Котельные изготавливаются согласно правилам «Саноатконтехназорат» РУз, действующим СНиП и ГОСТов РУз. и СНГ.
Адрес:
Яшнабадский район, ул.Уйсозлар,тупик-2, завод "ALINA"
Скажите продавцу, что получили его номер телефона на Stroyka.uz. Уточняйте о возможных скидках.
Скажите продавцу, что получили его номер телефона на Stroyka.uz. Уточняйте о возможных скидках.
+998712802592 +998933811616 +998935011616
Комментарии